Revista Iberoamericana Ambiente & Sustentabilidad

ISSN: 2697-3510 I e-ISSN: 2697-3529 I Vol. 8, 2025

DOI: https://doi.org/10.46380/rias.v8.e451

 

 

 

FUENTES RENOVABLES DE ENERGÍA

 

 

 

Impacto de los colectores solares cilindro-parabólicos en la industria azucarera del Guairá en la reducción del consumo de biomasa no sostenible.

 

Impact of parabolic trough solar collectors in the Guairá sugar industry in reducing unsustainable biomass consumption.

 

Impacto dos coletores solares de calha parabólica na indústria açucareira do Guairá na redução do consumo insustentável de biomassa.

 

José María Gómez

Universidad Nacional de Asunción, Paraguay

jmgomez@pol.una.py

 

Eduardo Márquez Canosa

Universidad Centro Panamericano de Estudios

Superiores, México

eduardo.marquez@unicepes.edu.mx

 

Artículo científico  

 

Enviado: 16/10/2024

Aprobado: 21/1/2025

Publicado: 26/1/2025

 

RESUMEN

 

El objetivo de esta investigación fue evaluar el impacto de la instalación de la tecnología de colectores solares cilindro-parabólicos en la industria azucarera del Departamento del Guairá, principal región de producción de azúcar de caña del Paraguay, en la reducción del consumo de leña proveniente de bosques nativos. Mediante el procesamiento de datos climatológicos de la ciudad de Tebicuary, obtenidos de la herramienta Photovoltaic Geographical Information System (PVGIS), se ha dimensionado un campo solar a ser insertado en un proceso de hibridación al sistema de cogeneración de una planta azucarera. Con esto se pudo establecer un modelo híbrido, cuya respuesta a la irradiación solar fue simulada con el software Transient System Simulation Tool (TRNSYS). El recurso solar del lugar es suficiente para obtener vapor saturado a ser sobrecalentado a alta presión. La implementación de la tecnología solar mediante este modelo permitiría salvar anualmente una superficie de bosques nativos de entre 42,252.58 ha a 79,223.59 ha para consumos medios y máximos de energía auxiliar respectivamente. Los resultados obtenidos constituyen una referencia en términos del aprovechamiento del recurso solar con un potencial impacto positivo en el ambiente, estudios similares pueden realizarse en otras industrias y zonas del país.

 

Palabras clave: bosques nativos, deforestación, energía solar, Paraguay

 

ABSTRACT

 

The objective of this research was to evaluate the impact of the installation of parabolic trough solar collector technology in the sugar industry of the Department of Guairá, the main sugarcane production region of Paraguay, in reducing the consumption of firewood from native forests. By processing climatological data from the city of Tebicuary, obtained from the Photovoltaic Geographical Information System (PVGIS) tool, a solar field has been sized to be inserted in a hybridization process to the cogeneration system of a sugar plant. With this, a hybrid model was established, whose response to solar irradiation was simulated with the Transient System Simulation Tool (TRNSYS) software. The site's solar resource is sufficient to obtain saturated steam to be superheated at high pressure. The implementation of solar technology through this model would allow annually saving an area of ​​native forests of between 42,252.58 ha to 79,223.59 ha for average and maximum consumption of auxiliary energy respectively. The results obtained constitute a reference in terms of the use of solar resources with a potential positive impact on the environment, similar studies can be carried out in other industries and areas of the country.

 

Keywords: deforestation, native forests, Paraguay, solar energy

 

RESUMO

 

O objetivo desta investigação foi avaliar o impacto da instalação da tecnologia de coletores solares de calha parabólica na indústria açucareira do Departamento de Guairá, a principal região produtora de cana-de-açúcar do Paraguai, na redução do consumo de lenha das florestas nativas. Através do processamento de dados climatológicos da cidade de Tebicuary, obtidos a partir da ferramenta Photovoltaic Geographical Information System (PVGIS), dimensionou-se um campo solar para ser inserido num processo de hibridização ao sistema de cogeração de uma fábrica de açúcar. Com isto, estabeleceu-se um modelo híbrido, cuja resposta à irradiação solar foi simulada com o software Transient System Simulation Tool (TRNSYS). O recurso solar do local é suficiente para obter vapor saturado para ser sobreaquecido a alta pressão. A implementação da tecnologia solar através deste modelo permitiria poupar anualmente uma área de florestas nativas entre 42.252,58 ha e 79.223,59 ha para consumo médio e máximo de energia auxiliar respectivamente. Os resultados obtidos constituem uma referência em termos de utilização de recursos solares com potencial impacto positivo no ambiente, estudos semelhantes podem ser realizados noutras indústrias e zonas do país.

 

Palavras-chave: desmatamento, energia solar, florestas nativas, Paraguay

 

INTRODUCCIÓN

 

A nivel mundial el sector industrial emite el 22% de los Gases de Efecto Invernadero (GEI) producidos por diferentes procesos químicos, procesamiento de calor para obtener temperaturas entre 50 °C a 1600 °C y electricidad. Se plantea actualmente una transformación basada en la electrificación de la demanda de calor bajo para la industria (Fazekas et al., 2022). Según el Viceministerio de Minas y Energía (2019a), en Paraguay se espera que la demanda de electricidad aumente más del 100% para el año 2050, alcanzando 4,587.1 ktep en comparación con lo proyectado para 2025. También se estima un crecimiento promedio anual del 2.3% en la demanda de todas las fuentes de energía. El consumo de biomasa para fines energéticos representa más de dos veces el consumo de energía en forma de electricidad en 2021, de acuerdo con la estructura de la matriz energética presentada en el balance energético nacional (Viceministerio de Minas y Energía, 2022).

 

Según Rodríguez (2022) la deforestación en Paraguay ha ido creciendo principalmente debido de actividades agrícolas (región oriental) y ganaderas (región occidental), a tal punto que en el periodo 1990 a 2020 ha significado una disminución en la producción de oxígeno equivalente al demandado por unas 2,653,205 personas y una reducción en la captación de dióxido de carbono equivalente de 7,959,614.74 t. En otro estudio Mohebalian et al. (2022) estiman que la deforestación ha alcanzado un 18% de pérdidas de cobertura boscosa en el periodo 2000 al 2020 en la zona del Alto Paraná (región oriental) parte de la ecorregión Bosque Atlántico del Alto Paraná compartida entre Argentina, Brasil y Paraguay. De manera similar Muller et al. (2020), utilizando algoritmos de aprendizaje automático en el estudio de imágenes satelitales en el periodo 1986 al 2018, han concluido que los bosques de la región noroeste (región occidental) podrían desaparecer en 2035. Entre las consecuencias de la deforestación se tienen: la pérdida de biodiversidad, la erosión del suelo, el cambio climático, la interrupción del ciclo del agua y conflictos entre la vida salvaje y la humana, refugiados ambientales (personas que deben abandonar sus hogares ancestrales) y el brote de nuevas enfermedades (Bodo et al., 2021). Estas referencias dan cuenta del impacto negativo de la deforestación en diversas áreas, que pueden afectar al ser humano en diferentes escalas de tiempo.

 

La oferta de producción sostenible de leña es de 5.034.132 m3/año, mientras que el consumo efectivo de biomasa forestal con fines energéticos es de 13.957.661 m3/año, generando un déficit del 63,9%. Se ha establecido, mediante consultas a responsables de los sectores industriales competentes, que el 78,9% de la leña consumida proviene de especies de bosques nativos. El total de biomasa consumida de los bosques nativos, con fines energéticos, equivale a unas 82,000 ha/año, existe un déficit entre el consumo de biomasa y la oferta de producción sostenible (Viceministerio de Minas y Energía, 2019b). La problemática energética de Paraguay fue analizada en el informe del Columbia Center on Sustanaible Invesment (CCSI, 2021) enfocado en diversos sectores, destacándose el elevado consumo de biomasa no sostenible, un porcentaje elevado de emisiones de GEI, principalmente en el sector industrial y del transporte. En el ámbito industrial, el sector azucarero demanda el 49% de la energía total neta y cuentan con calderas de bagazo de caña de azúcar como principal fuente de ineficiencia.

 

Considerando el elevado uso de energía en sectores industriales, principalmente la proveniente de la biomasa no renovable, se propone en este trabajo la utilización del recurso solar inagotable disponible en el país, como una alternativa para la optimización del uso de las fuentes renovables, para afrontar parte de los desafíos nacionales con relación a la reducción de los GEI, la deforestación y la creciente demanda de energía. La tecnología planteada es la de colectores solares cilindro-parabólicos, para la generación de vapor y energía eléctrica, a ser utilizada en el proceso de producción de azúcar de caña y etanol para la reducción del uso de leña. Específicamente, se plantea sustituir la leña utilizada en las azucareras como energía auxiliar, de entre 1 nm3 a 15 nm3/tonelada de caña (Agüero et al., 2013), por la energía obtenida mediante colectores solares de concentración del tipo cilindro-parabólicos PTC del inglés Parabolic Trough Collector.

 

Los colectores PTC están constituidos por espejos parabólicos que reflejan la radiación solar directa concentrándola a lo largo de la línea focal, donde un tubo absorbente del metal recubierto absorbe la radiación y transfiere la energía hacia el interior por el espesor del tubo por conducción y de allí al caudal de fluido térmico por convección. El tubo absorbente está sellado al vacío con un tubo concéntrico de vidrio que reduce las pérdidas por convección y lo protege de la oxidación (Osorio y Rivera-Álvarez, 2022). Los colectores deben ser acoplados a un sistema de seguimiento para acompañar la trayectoria solar (Fredriksson et al., 2021). La demanda de energía térmica en industrias que operan a temperaturas medias y altas para la generación de vapor y calentamiento de agua (100° C a 300° C) tienen en la tecnología PTC a una de la más apropiadas, con un impacto significativo en el sector económico, ambiental y social (Ktistis et al., 2021).

 

Se necesita averiguar si mediante la implementación de la tecnología PTC en la industria azucarera en un proceso de hibridación entre la tecnología solar y la cogeneración, se podrían obtener indicadores de una factibilidad técnica (energética) y eventualmente lograr la sustitución de la leña no renovable proveniente de bosques nativos, utilizada como fuente de energía auxiliar. En este trabajo se pretende evaluar el impacto de la instalación de una planta solar de colectores cilindro-parabólicos en la industria azucarera del Guairá en la reducción del consumo de la biomasa no sostenible.

 

MATERIALES Y MÉTODOS

 

El estudio de sistemas complejos en varias áreas de la ciencia e ingeniería ha revelado la necesidad de complementar los experimentos tradicionales con estudios teóricos basados en simulaciones computacionales (Er, 2016).  Las simulaciones fueron realizadas con el software de simulación de sistemas térmicos TRNSYS 18 (TRNSYS,2019). Este software es utilizado en el modelado y simulación de sistemas solares (Beckman et al.,1994), ha sido objeto de constantes mejoras desde su creación en 1970, que abarcaron el núcleo, la biblioteca estándar, el modelado de edificios y las experiencias del usuario en su versión 18 (McDowell et al., 2017). Si bien existen otros softwares que permiten la simulación de sistemas híbridos, cada uno de ellos con sus ventajas y desventajas, se ha seleccionado TRNSYS porque ha sido ampliamente utilizado y presenta mucha precisión en simulaciones de sistemas térmicos (Zebra et al., 2021), es de una utilización muy intuitiva, posibilitado por una interfaz gráfica y una biblioteca de componentes de fácil acceso. Se planteó un modelo de hibridación con base al trabajo de Burin et al. (2016) en el que se diseñaron la integración de la tecnología de concentradores solares en una planta de potencia de cogeneración en Campo Grande, en el estado brasileño de Mato Grosso do Sul.

 

Configuración de planta azucarera de referencia y obtención de datos climatológicos

 

La ubicación de la planta azucarera se definió en función del peso del departamento del Guairá en la producción azucarera a nivel nacional, que entre enero y octubre del 2019, el 62% de las exportaciones de azúcar (31,124 t) correspondió a una empresa de este departamento. Las coordenadas de la planta industrial fijada en el distrito de Tebicuary del departamento del Guairá (Distante unos 125 Km de la capital del país, Asunción) son Latitud -25.77° y Longitud -56.65° y fueron tomadas a modo referencial, sin que los datos y esquemas de la simulación se correspondan con plantas industriales de la zona. La elevación del lugar es de 118 msnm. Los datos climáticos y de radiación solar fueron obtenidos mediante la aplicación web Photovoltaic Geographical Information System (PVGIS) de la Unión Europea Sicence Hub (2023) en el formato Typical Meteorological Year (TMY) correspondiente al periodo 2005-2020. Se ha seleccionado esta herramienta porque permite la obtención de datos en archivos EPW (Energy Plus Wheather) compatible con el software de simulación. Además, permite disponer de datos de radiación solar de grandes áreas cubiertas por satélites y una base de datos de más de 30 años (Science Hub, 2023), el área de cobertura incluye a Paraguay.

 

Seguidamente se especificaron las coordenadas del distrito de Tebicuary y se seleccionaron los parámetros a ser utilizados en la simulación, como la temperatura del aire a 2m, la velocidad del viento a 10m y la irradiancia solar directa DNI; del inglés Direct Normal Irradiance. Para obtener la distribución del DNI y de la temperatura promedio diario mensual se promediaron los valores horarios para DNI superiores a 40 W/m2.

 

Se consideraron una molienda diaria de 11,656 t/día, generadores de vapor con una capacidad de 241 t/h que producen vapor sobrecalentado a 392.5°C y 50 bar de presión alimentados por la caldera con combustible de bagazo de caña proveniente de la estación de molienda con una capacidad de 116.5 t/h. La mayor parte de este vapor es expandido en la turbina de alta presión, del tipo a contrapresión BPST, del inglés Back Pressure Steam Turbine, con una salida a 2.5 bar para la demanda de vapor del proceso industrial para la obtención de azúcar bruta, que incluye el funcionamiento de equipos mecánicos como rodillos, trituradores y bombas. Mediante dos o más extracciones de vapor de la turbina de baja presión del tipo condensación-extracción CEST, del inglés Condensation Extraction Steam Turbine, es posible precalentar el agua de alimentación hasta 200°C (Burin et al., 2016), además de suministrar vapor para la unidad de producción de etanol (Carvalho et al., 2020). Los parámetros de la producción de caña fueron estimados calculando valores intermedios de los rangos paramétricos de cogeneración de molinos modernos y valores de referencia tomados del trabajo de Birru et al.  (2019).

 

 

 

Dimensionamiento del campo solar para el proceso de hibridación

 

El cálculo del tamaño del campo solar  se realizó con base al procedimiento seguido por Quiñones et al. (2020). Primeramente, se calculó la demanda térmica para la obtención de vapor saturado, lo que se obtuvo considerando un funcionamiento del campo solar a máxima potencia (34 MW) durante 5000 h. En segundo lugar, se definió la fracción solar en 1, por lo que se espera que toda la demanda térmica sea cubierta con energía del campo solar.

 

En tercer lugar, fue necesario calcular el rendimiento térmico de los colectores, calculada por la ecuación planteada por Möllenkamp et al. (2017) y Rubini y Habib (2011) como se citó en Bolognese et al. (2020). Esto último requirió la obtención previa del promedio anual de la temperatura ambiente, que fue calculada promediando el promedio diario mensual de temperatura a 2m de los datos obtenidos de PVGIS. También fue necesario obtener la eficiencia óptica y los coeficientes de pérdidas térmicas del colector seleccionado, el modelo Helio Trough de la compañía alemana TSK Flagsol (Janotte et al., 2014), por ser un diseño de mención frecuente en la bibliografía especializada y cuya hoja técnica ofrece los datos mencionados. Se utilizaron, además, las temperaturas de entrada y salida del fluido térmico de 277°C y 525°C respectivamente. Partiendo de los registros horarios de irradiancia, se calculó la irradiancia horaria promedio mensual (W/m2) para cada mes, cuyo promedio anual fue utilizado para finalizar el cálculo de la eficiencia térmica de los colectores.

 

Luego, en cuarto lugar, se requirió el cálculo de la irradiación promedio diario mensual (kWh/m2), obtenida multiplicando las irradiancias promedios diarios mensuales por las horas de irradiación mensual, divididos por la cantidad de días del mes considerado. Esto último fue promediado anualmente y multiplicado por 365 permitió obtener la irradiación promedio anual (MWh/m2).

 

Seguidamente, para el cálculo de la distribución de colectores en el campo solar se utilizó el procedimiento descrito en el trabajo de Yuanjing et al. (2020) que incluyó el cálculo del número de colectores por fila, el número total de filas del campo solar, para lo cual fue necesario calcular la potencia de salida del campo solar, lo que fue realizado con base al procedimiento descrito en el trabajo de Holler et al. (2021).

 

Proceso de simulaciones

 

La simulación fue realizada con el software TRNSYS 18 (Transient System Simulation Tool [TRNSYS], 2019) que tiene como entrada los datos climatológicos obtenidos previamente, las características técnicas de los colectores solares y de los diferentes equipos como turbinas, generadores, intercambiadores de calor, bombas, etc. El software permite seleccionar cada dispositivo de su propia biblioteca, además, mantiene por defecto los parámetros no especificados en las hojas técnicas. Permite la modelación de un sistema en un entorno gráfico, usando componentes de bibliotecas conocidos como types, compuestos internamente por una serie de ecuaciones matemáticas donde las entradas y parámetros son convertidos en valores de salidas. Las bibliotecas de TRNSYS cuentan con componentes que han sido validados por resultados experimentales, como es el caso del componente TRNSYS HPHE (Heat Pipe Heat Exchanger) utilizados en industrias de uso intensivo de energía para recuperación de calor residual de baja calidad (Brough et al.,2021).

 

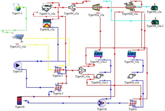
El esquema principal para la simulación del modelo de hibridación se ilustra en la figura 1. Se describe a continuación la función de cada dispositivo y su interacción con los demás componentes del sistema, en donde la identificación por defecto de cada type se indica entre paréntesis. El nivel de radiación, la temperatura ambiente y demás datos climatológicos obtenidos de PVGIS están dados por el Type15-3. El campo solar (Type1352_v2a) transfiere energía térmica generada al agua de alta presión proveniente del depósito (Type 158) en el intercambiador de calor (Type5e-2) para la obtención de vapor saturado. Este vapor es enviado al sobrecalentador (Type617c_v2a) para la generación de vapor sobrecalentado en paralelo con el vapor generado en la caldera (Type638_v2a) por la combustión del bagazo.

 

Lo descrito hasta aquí constituye la parte esencial de la propuesta realizada, seguidamente se describirán componentes típicos de una planta de cogeneración en una azucarera que permiten terminar la configuración del modelo. El vapor generado en la caldera pasa al sobrecalentador (Type617c_v2a) que lo calentará en caso de no alcanzar los 525°C y se mantendrá apagado en caso contrario, de allí pasa a la válvula de desvío (Type 594_v2a) que permite dividir el flujo de vapor entre la turbina de alta presión (Type592a_v2a) y la turbina de baja presión (Type592d_v2a) en un porcentaje del 67% y 33% respectivamente.

 

Figura 1. Esquema de la hibridación para la simulación con TRNSYS.

 

 

Fuente: Elaboración propia.

 

Las turbinas de vapor están acopladas a generadores eléctricos (Type599_v2a y Type599_v2a-2) donde la energía generada será utilizada en los requerimientos de la fábrica y cuyo excedente podrá ser vendido al sistema público. El escape de vapor de la turbina de alta presión BPST (Type 592a_v2a) es utilizada para el suministro de calor necesario en el proceso industrial representado por el condensador (Type593_v2a-2). La bomba de vapor condensado (Type618_v2a-2) permite enviar agua presurizada al mezclador de flujo controlado (Type 11d), que lo unifica con el flujo proveniente del intercambiador de calor (Type 5e), para luego enviar el fluido obtenido al tanque de almacenamiento cilíndrico (Type 158).

 

La salida del flujo de vapor de la turbina de baja presión CEST (Type 592d_v2a) es enviada a un condensador (Type 593_v2a), cuyo fluido de salida pasa a la bomba de vapor condensado (Type618_v2a) para luego pasar al intercambiador de calor (Type 5e), donde intercambia energía con el vapor extraído del puerto de extracción 2 del CEST. El fluido calentado de esta forma es enviado al mezclador de flujo controlado previamente mencionado. El calentamiento del agua de alimentación de la caldera se realiza mediante el flujo de vapor obtenido de los puertos de extracción 1 y 2 de la turbina CEST, unificadas mediante la válvula mezcladora de vapor (Type595_v2a). Para ello, el vapor entrega su energía térmica en el intercambiador de calor (Type5e-3) al agua proveniente del depósito (Type158).

 

Previamente, el flujo de vapor del puerto de extracción 2 del CEST, calienta en el intercambiador de calor (Type 5e) el líquido enviado por la bomba de vapor condensado (Type618_v2a), que luego se une en el mezclador de flujo controlado (Type11d) con el condensado proveniente de la carga térmica de la industria (Type593_v2a-2), enviado por la otra bomba de vapor condensado (Type618_v2a-2), luego, el mezclador de flujo envía un único fluido al depósito cilíndrico para continuar el ciclo. El vapor del puerto de extracción 3 del CEST es enviado directamente como fuente de calor al depósito de agua.

 

Consumo de biomasa no sostenible

 

Se ha calculado el consumo de leña no sostenible  y la correspondiente superficie de bosques potencialmente salvados por la implementación de la hibridación mediante cálculos de proporcionalidad, que constituye un modelo planteado en el presente estudio. Primeramente, el consumo de leña fue calculado considerando una molienda diaria media de   de caña, que es un valor promedio para molinos modernos tomados del trabajo de Birru et al. (2019) , una cantidad de días de producción de , calculados asumiendo unas  5000 h continuas de trabajo, un consumo de gas natural que varía entre un consumo medio de   y un consumo máximo de    sustituido por la energía de combustión de la leña, el poder calorífico del gas natural de  , estos dos parámetros fueron tomados del trabajo de Agüero et al. (2013), el poder calorífico de la leña al 45% de humedad   de acuerdo a Schneider (2013). Con estos datos el consumo de leña no sostenible en toneladas fue obtenido mediante la relación siguiente:

 

 

 , (1)

 

 

En donde se han tenido en cuenta las relaciones 1 kcal=3.97 BTU y 1 KWh=3,412 BTU calculados con base a los factores de conversión obtenidos de Turns y Pauley (2020) y de Klein y Nellis (2011) respectivamente. Además, el factor (1/1000) obedece a la necesidad de expresar el consumo de leña en toneladas. Para el caso de un consumo máximo de gas natural se sustituye   por  en la ecuación (1).

 

En segundo término y a partir de la ecuación (1), se calculó la superficie de bosques potencialmente salvados por la eliminación del uso de leña proveniente de bosques nativos, como fuente de energía auxiliar, utilizados en la industria azucarera  en hectáreas. Para ello se tuvo en cuenta la producción de biomasa sostenible a partir de bosques nativos con una media calculada de                , para ambas regiones del país, tomado del Informe Diagnóstico Paraguay del Banco Interamericano de Desarrollo (2008), una densidad de la leña   tomado de Viceministerio de Minas y Energía (2019a) y un porcentaje de rollo industrial sostenible convertido en leña  de acuerdo al Mapa de Plantaciones Forestales (2018) como lo citó el informe del Vice Ministerio de Minas y Energías Viceministerio de Minas y Energía (2019b). La ecuación generada para estos cálculos es la siguiente:

 

 

Se ha considerado que solamente el 21% de la leña utilizada en el ingenio es de origen no sostenible teniendo en cuenta el informe del Viceministerio de Minas y Energía (2019b), en donde se afirma que los volúmenes de leña  reportados representan entre el 85 al 90% del consumo real total del país, y que el origen del mismo sería en un 21.1 % provenientes de plantaciones y el restante 78.9% tendría su origen en especies del bosque nativo, según consultas realizadas a responsables de los sectores industriales involucrados. Esta relación aproximadamente se invierte en el caso azucarero según el mismo documento y, por tanto, ha sido utilizado para el cálculo de superficies de bosques nativos potencialmente salvados. La ecuación (2) ha sido utilizada para los casos de consumo medio y máximo de leña como fuentes de energía auxiliar.

 

RESULTADOS Y DISCUSIÓN

 

La demanda térmica anual para la generación de vapor saturado fue calculada en 170,000 MWh, la fracción solar fue fijada en 1, lo que indica que el campo solar suministrará la totalidad de la energía requerida para la obtención del vapor saturado, estos son los dos primeros elementos para el cálculo de dimensionamiento. El tercer elemento necesario es el rendimiento de los colectores Helio Trough, que fue calculado considerando la irradiancia promedio diario anual obtenida del 569.55 W/m2. La temperatura ambiente promedio anual fue calculado en 22.04 °C. Con estos datos y los coeficientes de rendimiento óptico y térmico se obtuvo la eficiencia térmica del colector solar en 0.72.  La irradiación promedio diario anual obtenida fue de 4.66 kWh/m2, esto para dimensionar el campo solar para un funcionamiento en condiciones de radiación intermedias. Multiplicando el promedio anterior por 365 se obtuvo la irradiación promedio anual igual a 1.70 MWh/m2. Con estos valores, la superficie del campo solar fue calculada en =138,888.89 m2.

 

Seguidamente, se obtuvo el número de colectores ensamblados por fila en 3, el número de filas resultó redondeado en , con esto, el número total de colectores ensamblados del campo solar es igual a 111, con 10 colectores cada uno. Luego se consideró un espaciamiento de 2.5 m entre los colectores Helio Trough en cada fila y también unos 22 m de espaciamiento entre filas, con esto se ha calculado una superficie de terreno requerida de 64 ha. Estos resultados implican un uso del terreno de 1.88 ha/MW que se aproxima al límite inferior de los 2 a 4 ha (1 acre~0.40 ha) por MW de capacidad según Solar Energy Industries Association (2023).

 

En las figuras que se presentan a continuación se observan la variación diaria de la temperatura de salida y de la potencia útil absorbida por el fluido térmico, en función de la hora solar, para el modelo planteado correspondiente al mes de junio, mes de menor irradiación solar. En cada gráfica se ha tomado un día del mes con el mayor valor pico y otro con el menor registro que no sea nulo (correspondiente a un cielo completamente cubierto).

 

En la figura 2 se aprecia una temperatura superior a los 500° C esperados durante 8 horas para lo cual es necesario una irradiancia (DNI) mayor o igual a los 550 W/m2. También se observa un desfase temporal entre la radiación y la temperatura, esta última presenta una menor tasa de aumento y disminución. Este mismo efecto pudo observarse en el comportamiento de la temperatura de salida entre los meses de invierno y verano en el trabajo experimental con colectores PTC de Chargui et al. (2021).

 

 

 

 

Figura 2. Temperatura de salida y DNI para el mes de junio.

 

 

Fuente: Elaboración propia.

 

En la figura 3 se observa que la potencia útil máxima es del orden de los 92 MW, se aprecia el lento aumento y descenso de la potencia útil en relación con el DNI. Se alcanza una potencia superior a 40 MW durante aproximadamente 9 horas. La potencia útil máxima alcanzada durante días nublados es inferior a los 10 MW en menos de 4 horas de duración. Nótese que las potencias útiles obtenidas superan las potencias nominales de funcionamiento de los campos solares de 34 MW, lo que posibilitaría el manejo técnico del campo solar de acuerdo con las necesidades horarias de la carga térmica de la planta, así como eventualmente, un aprovechamiento de la energía térmica en horas nocturnas o de baja radiación, mediante la implementación de sistemas de almacenamiento térmico.  

 

Figura 3. Potencia útil de salida y DNI para el mes de junio.

 

 

Fuente: Elaboración propia.

 

 Estos valores de temperatura y potencia útil de salida son muy superiores a los valores nominales esperados para el modelo establecido (500 °C, 34 MW), esto da indicios de la necesidad de una optimización en el cálculo de dimensionamiento. También debe tenerse en cuenta que esta potencia debe ser transmitida al agua presurizada para la obtención de vapor, proceso en el cual es de esperarse pérdidas en la transmisión de potencia térmica. Es interesante notar que el modelo de hibridación no ha considerado el consumo energético horario específico del proceso industrial, que ha sido representado de manera simplificada por un condensador (Type593_v2a-2), además, cada dispositivo es simulado por un type que responde a características generales como rendimientos, dimensiones, potencias nominales, caudales, etc. Estos parámetros no se ajustan necesariamente al funcionamiento específico de ningún dispositivo de una marca determinada.           

 

En cuanto a la biomasa, el consumo anual de leña obtenido varía entre 80,456.96 t y 150,856.81 t para consumos medio y máximo respectivamente. A modo de contraste, tenemos que el consumo de biomasa sólida (leña) en la industria azucarera/alcoholera varía entre 132,000 t y 253,000 t para la producción de 104 millones de litros de alcohol en la región oriental en 2012 según Ríos et al. (2016). Considerando cuatro industrias para este sector, con base a la información obtenida del sitio oficial del Centro Azucarero y Alcoholero Paraguayo (2024),  las cifras anteriores dan un promedio por ingenio de entre 33,000 t y 63,250 t, que comparado al consumo de leña obtenido, nos permite ubicar las estimaciones de esta última referencia como correspondientes a un consumo de gas natural de entre 3  y 6 nm3 por tonelada de caña, valores mayores en un factor de 3 y 6 al mínimo considerado en este trabajo (1 nm3 por tonelada de caña).

 

Análogamente, el volumen anual de leña obtenido del modelo varía entre 104,625.44 m3 y 196,172.70 m3 que serán comparados seguidamente con los valores encontrados en la literatura. El consumo anual de leña por la industria de etanol es de 112,206 m3 (14%) y 683,448 m3 (86%) consumidos de bosques nativos y de plantaciones respectivamente, que representan el 5.7% del consumo industrial con fines energéticos a nivel país en 2018, reportados en el informe Viceministerio de Minas y Energía (2019b). Asumiendo nuevamente la existencia de 4 industrias azucareras/alcoholeras, tenemos que los valores mencionados anteriormente dan un promedio de 28,051.5 m3 de leña de bosques nativos y 170,862 m3 de leña de plantaciones. Se deduce que el volumen máximo de leña calculado por los modelos se corresponde aproximadamente con el total de leña (bosque nativos y plantaciones) por industria, calculado con base al reporte del Viceministerio de Minas y Energía en valores cercanos a 200,000 m3, lo que nos da una pauta de coincidencia entre el límite superior calculado y las estimaciones oficiales.

 

Figura 4. Superficies del campo solar y de bosques nativos

 

 

Fuente: Elaboración propia.

 

Habiendo contrastado los resultados relacionados al consumo de leña, se presenta en la figura 4 los datos correspondientes al cálculo de superficies de bosques nativos potencialmente salvados por la implementación del modelo híbrido, junto con la superficie requerida para la implementación de la tecnología solar. Se observa que se pasa de 6.41 ha a 13.89 ha y de 42,252.58 ha a 79,223.59 ha para la superficie de colectores solares y la superficie de bosques potencialmente salvados respectivamente. A modo de comparación, tenemos que la cantidad de hectáreas anuales de bosques potencialmente salvados para el caso de un consumo máximo resulta un poco más que el 72% de la tasa de deforestación de 110,000 ha por año en 2002 del bosque Atlántico (Parte de la región este de Paraguay), según la World Wildlife Fund WWF (2013) como lo citó Da Ponte et al. (2017). De todo lo expuesto anteriormente, se destaca el hecho de que existe un amplio rango de valores del uso de la energía auxiliar en la industria azucarera, lo que conlleva a que el cálculo del consumo de leña tome una amplia gama de valores, lo que a su vez implica que el cálculo de superficies de bosques nativos potencialmente salvados anualmente pueda variar de 42,252.58 ha a 79,223.59 ha para consumos medios y máximos respectivamente (con un mínimo de 5,281.57 ha).

 

Los diferentes parámetros relacionados a la biomasa fueron tomados de referencias científicas, fuentes oficiales del Paraguay y del extranjero relacionados a la energía, el medio ambiente y las energías renovables. Estos valores pueden presentar un sesgo local y una variación temporal que eventualmente puedan hacer que los cálculos realizados deban ser complementados por un estudio de sensibilidad que no fue realizado en el presente trabajo.   

 

Complementariamente, realizamos una breve discusión sobre los costos de la tecnología PTC. Asumiendo un costo de instalación de 4,295 US$/kW, un costo de operación y mantenimiento de 0.02 US$/kWh tomados de la International Renewable Energy Agency (IRENA, 2022), se obtienen un costo de instalación de 146,030,000 US$, un costo anual de operación y mantenimiento de 1,999,880 US$. En este sentido, se requiere un estudio financiero adicional, en donde se contemple las variaciones de los costos, tasas de financiación y precios de la energía. El costo nivelado de la energía LCOE (Del inglés Levelized Cost of Energy) de la tecnología de colectores solares de concentración ha ido decreciendo en los últimos años hasta llegar menos de 0.1 USS/kWh, dentro del rango del costo de los combustibles fósiles, de acuerdo con IRENA (2023). De mantenerse esta tendencia, es posible que actualmente o en unos años, las condiciones financieras sean favorables para la implementación de la energía solar PTC en diferentes sectores industriales.            

 

CONCLUSIONES

 

Con el objetivo principal de evaluar el impacto de la instalación de la tecnología de colectores solares cilindro-parabólicos en la industria azucarera del Guairá, en la reducción del consumo de biomasa no sostenible, se pudo establecer un modelo híbrido, cuya respuesta a la irradiación solar fue simulada con el software TRNSYS 18, y se han obtenido valores de potencia útil y temperatura que indican la suficiencia del recurso solar, además, se calcularon la superficie de bosques nativos potencialmente salvados por la implementación del modelo de hasta cerca de 80,000 ha anuales.

 

El modelo de hibridación entre la tecnología de concentradores solares cilindro-parabólicos y la cogeneración en una planta azucarera en la ciudad de Tebicuary del Departamento del Guairá, alcanza de acuerdo con las simulaciones realizadas, valores que sobrepasan la temperatura de salida del fluido térmico esperados, así como la potencia útil absorbida por este, supera la potencia nominal del campo solar incluso en el mes de menor irradiancia solar. Por tanto, el recurso solar del lugar es suficiente para la obtención de vapor saturado.

 

La eliminación del consumo de leña no sostenible de 80,456.96 t (consumo medio) y 150,856.81 t (consumo máximo) permitiría salvar un equivalente anual mínimo de 5,281.57 ha y hasta 79,223.59 ha de bosques nativos, contribuyendo de esta manera a la mitigación de la deforestación. La implementación de la tecnología solar mediante este modelo permitiría la reducción de la contribución anual del consumo de leña del sector azucarero/alcoholero a niveles inferiores al 5.7% del consumo industrial total a nivel país.

 

Se ha demostrado el potencial de aplicación de la energía solar de concentración, en particular, de la tecnología de colectores cilindro-parabólicos en una región específica del país, con posibilidades de ampliar el estudio realizado a diferentes industrias de otras zonas productivas. La proyección de la generación de energía solar en un periodo de tiempo suficientemente largo puede contribuir a satisfacer la creciente demanda de energía y colaborar en mantener el nivel de exportación de energía del país, con la implementación de una tecnología renovable madura, con importantes beneficios en la mitigación de la deforestación de bosques nativos, reduciendo significativamente el consumo de biomasa no sostenible (leña). Esto último complementa la ya sabida contribución de las renovables en la disminución del consumo de combustibles fósiles y sus emisiones de gases de efecto invernadero. 

 

REFERENCIAS BIBLIOGRÁFICAS

 

Agüero, C. J., Pisa, J. R., Andina, R. L., & Nanni, F. E. (2013). Cogeneración en la industria azucarera. Revista de Ciencias Exactas e Ingeniería, 36, 17-27. https://acortar.link/rD2WpT

 

Banco Interamericano de Desarrollo. (2008). Herramientas para mejorar la efectividad del mercado de combustibles de madera en la economía rural. Informe diagnóstico Paraguay. División de Medio Ambiente, Desarrollo Rural, y Desastres Naturales. https://acortar.link/ecUQZg

 

Beckman, W. A., Broman, L., Fiksel, A., Klein, S. A., Lindberg, E., Schuler, M. & Thornton, J. (1994). TRNSYS The most complete solar energy system modeling and simulation software. Renewable energy5(1-4), 486-488. https://doi.org/10.1016/0960-1481(94)90420-0

 

Birru, E., Erlich, C. & Martin, A. (2019). Energy performance comparisons and enhancements in the sugar cane industry. Biomass Conversion and Biorefinery9, 267-282. https://doi.org/10.1007/s13399-018-0349-z

 

Bodo, T., Gimah, B. G. & Seomoni, K. J. (2021). Deforestation and habitat loss: Human causes, consequences and possible solutions. Journal of Geographical Research4(2), 22-30. https://doi.org/10.30564/jgr.v4i2.3059

 

Bolognese, M., Viesi, D., Bartali, R. & Crema, L. (2020). Modeling study for low-carbon industrial processes integrating solar thermal technologies. A case study in the Italian Alps: The Felicetti Pasta Factory. Solar Energy208, 548-558. https://doi.org/10.1016/j.solener.2020.07.091

 

Brough, D., Ramos, J., Delpech, B. & Jouhara, H. (2021). Development and validation of a TRNSYS type to simulate heat pipe heat exchangers in transient applications of waste heat recovery. International Journal of Thermofluids9, e100056. https://doi.org/10.1016/j.ijft.2020.100056

 

Burin, E. K., Vogel, T., Multhaupt, S. Thelen, A., Oeljeklaus, G., Görner, K., & Bazzo, E. (2016). Thermodynamic and economic evaluation of a solar aided sugarcane bagasse cogeneration power plant. Energy117(Part. 2), 416-428. https://doi.org/10.1016/j.energy.2016.06.071

 

Carvalho, D. J., Moretti, R. R., Colodette, J. L. & Bizzo, W. A. (2020). Assessment of the self-sustained energy generation of an integrated first- and second-generation ethanol production from sugarcane through the characterization of the hydrolysis process residues. Energy Conversion and Management203, e112267. https://doi.org/10.1016/j.enconman.2019.112267

 

Centro Azucarero y Alcoholero Paraguayo. (2024). Centro Azucarero y Alcoholero Paraguayo. https://www.centroazucarero.org.py

 

Chargui, R., Tashtoush, B. & Awani, S. (2022). Experimental study and performance testing of a novel parabolic trough collector. International Journal of Energy Research, 46(2), 1518-1537. https://doi.org/10.1002/er.7267

 

Columbia Center on Sustainable Investment. (2021). Vías de Descarbonización del Sector Energético del Paraguay. Quadracci Sustainable Engeeniering Lab de la Universidad de Columbia y Centro de Recursos Naturales, Energía y Desarrollo (CRECE). https://acortar.link/tCJEjb

 

Da Ponte, E., Kuenzer, C., Parker, A., Rodas, O., Oppelt, N. & Fleckenstein, M. (2017). Forest cover loss in Paraguay and perception of ecosystem services: A case study of the Upper Parana Forest. Ecosystem services24, 200-212. https://doi.org/10.1016/j.ecoser.2017.03.009

 

Er, Z. (2016). A study of evaluation of solar energy simulation and modeling systems. Acta Physica Polonica A130(1), 72-77. https://doi.org/10.12693/APhysPolA.130.72

 

EU Science Hub. (2023). PVGIS data sources & calculation methods. European Commission's Joint Research Centre. https://acortar.link/OFDDh1

 

Fazekas, A., Bataille, C. & Vogt-Schilb, A. (2022). Prosperidad libre de carbono. Como los gobiernos pueden habilitar 15 transformaciones esenciales. Banco Interamericano de Desarrollo. https://acortar.link/l57Daq

 

Fredriksson, J., Eickhoff, M., Giese, L. & Herzog, M. (2021). A comparison and evaluation of innovative parabolic trough collector concepts for large-scale application. Solar Energy215, 266-310. https://doi.org/10.1016/j.solener.2020.12.017

 

Holler, S., Winkelmann, A., Pelda, J. & Salaymeh, A. (2021). Feasibility study on solar thermal process heat in the beverage industry. Energy233, e121153. https://doi.org/10.1016/j.energy.2021.121153

 

International Renewable Energy Agency. (2022). Renewable Technology Innovations Indicators: Mapping progress in costs, patents and standars. International Renewable Energy Agency. https://www.irena.org//media/Files/IRENA/Agency/Publication/2022

 

International Renewable Energy Agency. (2023). Global LCOE and Auction values. International Renewable Energy Agency. https://acortar.link/TvMyOD

 

Janotte, N., Feckler, G., Kötter, J., Decker, S., Herrmann, U., Schmitz, M. & Lüpfert, E. (2014). Dynamic performance evaluation of the HelioTrough® collector demonstration loop–towards a new benchmark in parabolic trough qualification. Energy Procedia49, 109-117. https://doi.org/10.1016/j.egypro.2014.03.012

 

Klein, S. & Nellis, G. (2011). Thermodynamics. Cambridge University Press.

Ktistis, P. K., Agathokleous, R. A. & Kalogirou, S. A. (2021). Experimental performance of a parabolic trough collector system for an industrial process heat application. Energy215(Part. A), e119288. https://doi.org/10.1016/j.energy.2020.119288

 

McDowell, T., E Bradley, D., Hiller, M., Lam, J., Merk, J. & Keilholz, W. (2017, August). TRNSYS 18: The continued evolution of the software [Conference presentation summary]. 15th Conference of IBPSA. https://acortar.link/VO5PNi

 

Mohebalian, P. M., Lopez, L. N., Tischner, A. B. & Aguilar, F. X. (2022). Deforestation in South America's tri-national Paraná Atlantic Forest: Trends and associational factors. Forest Policy and Economics137, e102697. https://doi.org/10.1016/j.forpol.2022.102697

 

Muller, M., Vincent, S. & Kumar, O. P. (2020). Prediction of land-change using machine learning for the deforestation in Paraguay. Bulletin of Electrical Engineering and Informatics9(5), 1774-1782. https://doi.org/10.11591/eei.v9i5.2532

 

Osorio, J. D. & Rivera-Alvarez, A. (2022). Influence of the concentration ratio on the thermal and economic performance of parabolic trough collectors. Renewable Energy181, 786-802. https://doi.org/10.1016/j.renene.2021.09.040

 

Quiñones, G., Felbol, C., Valenzuela, C., Cardemil, J. M. & Escobar, R. A. (2020). Analyzing the potential for solar thermal energy utilization in the Chilean copper mining industry. Solar Energy197, 292-310. https://doi.org/10.1016/j.solener.2020.01.009

 

Ríos, M., Kaltschmitt, M., Borsy, P. & Ortiz, R. (2016). Solid biomass within the energy system of Eastern Paraguay—status and consequences. Biomass Conversion and Biorefinery6, 365-375. https://doi.org/10.1007/s13399-015-0194-2

 

Rodríguez, C. M. (2022). Incidencia de la deforestación en la captación de dióxido de carbono y provisión de oxígeno en Paraguay. Periodo 1990-2020. Población y Desarrollo28(54), 6-15. https://doi.org/10.18004/pdfce/2076-054x/2022.028.54.006

 

Schneider, R. (Editor). (2013). Producción y Consumo de Biomasa Sólida en Paraguay.  Ministerio de Obras Públicas y Comunicaciones, Viceministerio de Minas y Energía. https://acortar.link/p5wSMy

 

Solar Energy Industries Association. (2023). Initiatives. Concentrating Solar Powerhttps://seia.org/concentrating-solar-power

 

Transient System Simulation Tool. (2019). What is TRNSYS? Transient System Simulation Tool. https://www.trnsys.com

 

Turns, S. R. & Pauley, L. L. (2020). Thermodynamics: concepts and applications. Cambridge University Press.

 

Viceministerio de Minas y Energía. (2019a). Perspectiva energética 2050 (Informe Ejecutivo). Departamento de Planificación y Estadística. Departamento de Monitoreo Energético. Dirección de Recursos Energéticos. https://acortar.link/vK9bqT

 

Viceministerio de Minas y Energía. (2019b). Producción y consumo de biomasa forestal con fines energéticos en el Paraguay. Dirección de Energías alternativas. Banco Interamericano de Desarrollo. https://acortar.link/CLzrA9

 

Viceministerio de Minas y Energía.  (2022). Balance Energético Nacional. Dirección de Recursos Energéticos Primarios. https://acortar.link/o3SifM

 

Yuanjing, W., Cheng, Z., Yanping, Z. & Xiaohong, H. (2020). Performance analysis of an improved 30 MW parabolic trough solar thermal power plant. Energy213, e118862. https://doi.org/10.1016/j.energy.2020.118862

 

Zebra, E. I. C., van der Windt, H. J., Nhumaio, G. & Faaij, A. P. (2021). A review of hybrid renewable energy systems in mini-grids for off-grid electrification in developing countries. Renewable and Sustainable Energy Reviews, 144, e111036. https://doi.org/10.1016/j.rser.2021.111036