|
|
|
Revista Iberoamericana Ambiente & Sustentabilidad ISSN:
2697-3510 I e-ISSN: 2697-3529 I Vol. 8, 2025 DOI: https://doi.org/10.46380/rias.v8.e451 |
|||
|
|
|
||||
|
|
FUENTES RENOVABLES DE ENERGÍA |
|
|||
|
|
|
||||
|
Impacto de los colectores solares
cilindro-parabólicos en la industria azucarera del Guairá en la reducción del
consumo de biomasa no sostenible. Impact of parabolic trough solar collectors in the Guairá sugar industry in reducing unsustainable biomass consumption.
Impacto dos coletores solares de calha
parabólica na indústria açucareira do Guairá na redução do consumo
insustentável de biomassa. |
José
María Gómez Universidad
Nacional de Asunción, Paraguay Eduardo Márquez
Canosa Universidad Centro
Panamericano de Estudios Superiores, México eduardo.marquez@unicepes.edu.mx
Artículo científico
Enviado: 16/10/2024 Aprobado: 21/1/2025 Publicado: 26/1/2025 |
||||
RESUMEN
El objetivo de esta investigación fue evaluar el impacto
de la instalación de la tecnología de colectores solares cilindro-parabólicos
en la industria azucarera del Departamento del Guairá, principal región de
producción de azúcar de caña del Paraguay, en la reducción del consumo de leña
proveniente de bosques nativos. Mediante el procesamiento de datos
climatológicos de la ciudad de Tebicuary, obtenidos
de la herramienta Photovoltaic Geographical
Information System (PVGIS),
se ha dimensionado un campo solar a ser insertado en un proceso de hibridación
al sistema de cogeneración de una planta azucarera. Con esto se pudo establecer
un modelo híbrido, cuya respuesta a la irradiación solar fue simulada con el
software Transient System Simulation Tool (TRNSYS). El recurso solar del lugar es
suficiente para obtener vapor saturado a ser sobrecalentado a alta presión. La
implementación de la tecnología solar mediante este modelo permitiría salvar
anualmente una superficie de bosques nativos de entre 42,252.58 ha a 79,223.59
ha para consumos medios y máximos de energía auxiliar respectivamente. Los
resultados obtenidos constituyen una referencia en términos del aprovechamiento
del recurso solar con un potencial impacto positivo en el ambiente, estudios
similares pueden realizarse en otras industrias y zonas del país.
Palabras clave: bosques nativos, deforestación, energía solar, Paraguay
ABSTRACT
The objective of this research was to evaluate the impact of the installation of parabolic trough solar collector technology in the sugar industry of the Department of Guairá, the main sugarcane production region of Paraguay, in reducing the consumption of firewood from native forests. By processing climatological data from the city of Tebicuary, obtained from the Photovoltaic Geographical Information System (PVGIS) tool, a solar field has been sized to be inserted in a hybridization process to the cogeneration system of a sugar plant. With this, a hybrid model was established, whose response to solar irradiation was simulated with the Transient System Simulation Tool (TRNSYS) software. The site's solar resource is sufficient to obtain saturated steam to be superheated at high pressure. The implementation of solar technology through this model would allow annually saving an area of native forests of between 42,252.58 ha to 79,223.59 ha for average and maximum consumption of auxiliary energy respectively. The results obtained constitute a reference in terms of the use of solar resources with a potential positive impact on the environment, similar studies can be carried out in other industries and areas of the country.
Keywords: deforestation, native forests, Paraguay, solar energy
RESUMO
O objetivo desta investigação foi avaliar o impacto da
instalação da tecnologia de coletores solares de calha parabólica na indústria
açucareira do Departamento de Guairá, a principal região produtora de
cana-de-açúcar do Paraguai, na redução do consumo de lenha das florestas
nativas. Através do processamento de dados climatológicos da cidade de
Tebicuary, obtidos a partir da ferramenta Photovoltaic Geographical
Information System (PVGIS), dimensionou-se um campo solar para ser inserido num processo de
hibridização ao sistema de cogeração de uma fábrica de açúcar. Com isto,
estabeleceu-se um modelo híbrido, cuja resposta à irradiação solar foi simulada
com o software Transient System Simulation Tool (TRNSYS). O recurso
solar do local é suficiente para obter vapor saturado para ser sobreaquecido a
alta pressão. A implementação da tecnologia solar através deste modelo
permitiria poupar anualmente uma área de florestas nativas entre 42.252,58 ha e
79.223,59 ha para consumo médio e máximo de energia auxiliar respectivamente.
Os resultados obtidos constituem uma referência em termos de utilização de
recursos solares com potencial impacto positivo no ambiente, estudos
semelhantes podem ser realizados noutras indústrias e zonas do país.
Palavras-chave: desmatamento, energia solar, florestas nativas, Paraguay
INTRODUCCIÓN
A nivel mundial el sector industrial emite el 22% de
los Gases de Efecto Invernadero (GEI) producidos por diferentes procesos
químicos, procesamiento de calor para obtener temperaturas entre 50 °C a 1600
°C y electricidad. Se plantea actualmente una transformación basada en la
electrificación de la demanda de calor bajo para la industria (Fazekas et al., 2022). Según el Viceministerio de Minas y Energía (2019a),
en Paraguay se espera que la demanda de electricidad aumente más del 100% para
el año 2050, alcanzando 4,587.1 ktep en comparación
con lo proyectado para 2025. También se estima un crecimiento promedio anual
del 2.3% en la demanda de todas las fuentes de energía. El consumo de biomasa para fines energéticos representa más de dos veces
el consumo de energía en forma de electricidad en 2021, de acuerdo con la
estructura de la matriz energética presentada en el balance energético nacional
(Viceministerio de Minas y Energía, 2022).
Según Rodríguez (2022) la deforestación en
Paraguay ha ido creciendo principalmente debido de actividades agrícolas
(región oriental) y ganaderas (región occidental), a tal punto que en el
periodo 1990 a 2020 ha significado una disminución en la producción de oxígeno
equivalente al demandado por unas 2,653,205 personas y una reducción en la
captación de dióxido de carbono equivalente de 7,959,614.74 t. En otro estudio Mohebalian et al. (2022) estiman que la
deforestación ha alcanzado un 18% de pérdidas de cobertura boscosa en el
periodo 2000 al 2020 en la zona del Alto Paraná (región oriental) parte de la
ecorregión Bosque Atlántico del Alto Paraná compartida entre Argentina, Brasil
y Paraguay. De manera similar Muller et al.
(2020), utilizando algoritmos de aprendizaje automático en el estudio de
imágenes satelitales en el periodo 1986 al 2018, han concluido que los bosques
de la región noroeste (región occidental) podrían desaparecer en 2035. Entre las consecuencias de la
deforestación se tienen: la pérdida de biodiversidad, la erosión del suelo, el
cambio climático, la interrupción del ciclo del agua y conflictos entre la vida
salvaje y la humana, refugiados ambientales (personas que deben abandonar sus
hogares ancestrales) y el brote de nuevas enfermedades (Bodo
et al., 2021). Estas referencias dan cuenta del impacto negativo de la
deforestación en diversas áreas, que pueden afectar al ser humano en diferentes
escalas de tiempo.
La oferta de producción sostenible de
leña es de 5.034.132 m3/año, mientras que el consumo efectivo de
biomasa forestal con fines energéticos es de 13.957.661 m3/año,
generando un déficit del 63,9%. Se ha establecido, mediante consultas a responsables de los
sectores industriales competentes, que el 78,9% de la leña consumida proviene
de especies de bosques nativos. El total de biomasa consumida de los bosques
nativos, con fines energéticos, equivale a unas 82,000 ha/año, existe un
déficit entre el consumo de biomasa y la oferta de producción sostenible (Viceministerio de Minas y Energía, 2019b). La
problemática energética de Paraguay fue analizada en el informe del Columbia
Center on Sustanaible Invesment (CCSI, 2021) enfocado en diversos sectores, destacándose
el elevado consumo de biomasa no sostenible, un porcentaje elevado de emisiones
de GEI, principalmente en el sector industrial y del transporte. En el ámbito
industrial, el sector azucarero demanda el 49% de la energía total neta y
cuentan con calderas de bagazo de caña de azúcar como principal fuente de
ineficiencia.
Considerando el elevado uso de energía en sectores industriales,
principalmente la proveniente de la biomasa no renovable, se propone en este
trabajo la utilización del recurso solar inagotable disponible en el país, como
una alternativa para la optimización del uso de las fuentes renovables, para
afrontar parte de los desafíos nacionales con relación a la reducción de los
GEI, la deforestación y la creciente demanda de energía. La tecnología
planteada es la de colectores solares cilindro-parabólicos, para la generación
de vapor y energía eléctrica, a ser utilizada en el proceso de producción de
azúcar de caña y etanol para la reducción del uso de leña. Específicamente, se
plantea sustituir la leña utilizada en las azucareras como energía auxiliar, de
entre 1 nm3 a 15 nm3/tonelada de caña (Agüero et al.,
2013), por la energía obtenida mediante colectores solares de concentración del
tipo cilindro-parabólicos PTC del inglés Parabolic Trough Collector.
Los colectores PTC están constituidos por espejos
parabólicos que reflejan la radiación solar directa concentrándola a lo largo
de la línea focal, donde un tubo absorbente del metal recubierto absorbe la
radiación y transfiere la energía hacia el interior por el espesor del tubo por
conducción y de allí al caudal de fluido térmico por convección. El tubo
absorbente está sellado al vacío con un tubo concéntrico de vidrio que reduce
las pérdidas por convección y lo protege de la oxidación (Osorio y Rivera-Álvarez,
2022). Los colectores deben ser acoplados a un sistema de seguimiento para
acompañar la trayectoria solar (Fredriksson et al.,
2021). La demanda de energía térmica en industrias que operan a temperaturas
medias y altas para la generación de vapor y calentamiento de agua (100° C a
300° C) tienen en la tecnología PTC a una de la más apropiadas, con un impacto
significativo en el sector económico, ambiental y social (Ktistis
et al., 2021).
Se necesita averiguar si mediante la implementación de la
tecnología PTC en la industria azucarera en un proceso de hibridación entre la
tecnología solar y la cogeneración, se podrían obtener indicadores de una
factibilidad técnica (energética) y eventualmente
lograr la sustitución de la leña no renovable proveniente de bosques nativos,
utilizada como fuente de energía auxiliar. En este trabajo se pretende evaluar
el impacto de la instalación de una planta solar de colectores
cilindro-parabólicos en la industria azucarera del Guairá en la reducción del
consumo de la biomasa no sostenible.
MATERIALES Y MÉTODOS
El estudio de sistemas complejos en varias
áreas de la ciencia e ingeniería ha revelado la necesidad de complementar los
experimentos tradicionales con estudios teóricos basados en simulaciones
computacionales (Er, 2016). Las
simulaciones fueron realizadas con el software de simulación de sistemas
térmicos TRNSYS 18 (TRNSYS,2019). Este software es utilizado en el modelado y
simulación de sistemas solares (Beckman et al.,1994), ha sido objeto de constantes
mejoras desde su creación en 1970, que abarcaron el núcleo, la biblioteca
estándar, el modelado de edificios y las experiencias del usuario en su versión
18 (McDowell et al., 2017). Si bien existen otros softwares que permiten
la simulación de sistemas híbridos, cada uno de ellos con sus ventajas y
desventajas, se ha seleccionado TRNSYS porque ha sido ampliamente utilizado y
presenta mucha precisión en simulaciones de sistemas térmicos (Zebra et al., 2021), es de una utilización muy intuitiva, posibilitado por una
interfaz gráfica y una biblioteca de componentes de fácil acceso. Se planteó
un modelo de hibridación con base al trabajo de Burin
et al. (2016) en el que se diseñaron la integración de la tecnología de
concentradores solares en una planta de potencia de cogeneración en Campo
Grande, en el estado brasileño de Mato Grosso do Sul.
Configuración de planta azucarera de
referencia y obtención de datos climatológicos
La ubicación de la planta azucarera se
definió en función del peso del departamento del Guairá en la producción
azucarera a nivel nacional, que entre enero y octubre del 2019, el 62% de las
exportaciones de azúcar (31,124 t) correspondió a una empresa de este
departamento. Las coordenadas de la planta industrial
fijada en el distrito de Tebicuary del departamento
del Guairá (Distante unos 125 Km de la capital del país, Asunción) son Latitud
-25.77° y Longitud -56.65° y fueron tomadas a modo referencial, sin que los
datos y esquemas de la simulación se correspondan con plantas industriales de
la zona. La elevación del lugar es de 118 msnm. Los datos climáticos y de
radiación solar fueron obtenidos mediante la aplicación web Photovoltaic
Geographical Information System (PVGIS) de la Unión Europea Sicence
Hub (2023) en el formato Typical
Meteorological Year
(TMY) correspondiente al periodo 2005-2020. Se ha seleccionado esta herramienta
porque permite la obtención de datos en archivos EPW (Energy Plus Wheather) compatible con el software de simulación.
Además, permite disponer de datos de radiación solar de grandes áreas cubiertas
por satélites y una base de datos de más de 30 años (Science
Hub, 2023), el área de cobertura incluye a Paraguay.
Seguidamente se especificaron las
coordenadas del distrito de Tebicuary y se
seleccionaron los parámetros a ser utilizados en la simulación, como la
temperatura del aire a 2m, la velocidad del viento a 10m y la irradiancia solar
directa DNI; del inglés Direct Normal Irradiance.
Para obtener la distribución del DNI y de la temperatura promedio diario
mensual se promediaron los valores horarios para DNI superiores a 40 W/m2.
Se consideraron una molienda diaria de 11,656
t/día, generadores de vapor con una capacidad de 241 t/h que producen vapor
sobrecalentado a 392.5°C y 50 bar de presión alimentados por la caldera con
combustible de bagazo de caña proveniente de la estación de molienda con una
capacidad de 116.5 t/h. La mayor parte de este vapor es expandido en la turbina
de alta presión, del tipo a contrapresión BPST, del inglés Back Pressure Steam Turbine, con
una salida a 2.5 bar para la demanda de vapor del proceso industrial para la
obtención de azúcar bruta, que incluye el funcionamiento de equipos mecánicos
como rodillos, trituradores y bombas. Mediante dos o más extracciones de vapor
de la turbina de baja presión del tipo condensación-extracción CEST, del inglés
Condensation Extraction
Steam Turbine, es posible precalentar el agua de
alimentación hasta 200°C (Burin et al., 2016),
además de suministrar vapor para la unidad de producción de etanol (Carvalho et
al., 2020). Los parámetros de la producción de caña fueron estimados
calculando valores intermedios de los rangos paramétricos de cogeneración de
molinos modernos y valores de referencia tomados del trabajo de Birru et al. (2019).
Dimensionamiento del campo solar para el
proceso de hibridación
El cálculo del tamaño del campo solar
se realizó con base al procedimiento
seguido por Quiñones et al. (2020). Primeramente, se calculó la demanda
térmica para la obtención de vapor saturado, lo que se obtuvo considerando un
funcionamiento del campo solar a máxima potencia (34 MW) durante 5000 h. En
segundo lugar, se definió la fracción solar en 1, por lo que se espera que toda
la demanda térmica sea cubierta con energía del campo solar.
En tercer lugar, fue necesario calcular el
rendimiento térmico de los colectores,
calculada por la ecuación planteada por Möllenkamp et al. (2017) y Rubini
y Habib (2011) como se citó en Bolognese et al.
(2020). Esto último requirió la obtención previa del promedio anual de la
temperatura ambiente, que fue calculada promediando el promedio diario mensual
de temperatura a 2m de los datos obtenidos de PVGIS. También fue necesario
obtener la eficiencia óptica y los coeficientes
de pérdidas térmicas del colector
seleccionado, el modelo Helio Trough de la compañía alemana TSK Flagsol
(Janotte et al., 2014), por ser un
diseño de mención frecuente en la bibliografía especializada y cuya hoja
técnica ofrece los datos mencionados.
Se utilizaron, además, las temperaturas de entrada y salida del fluido térmico
de 277°C y 525°C respectivamente. Partiendo de los registros horarios de
irradiancia, se calculó la irradiancia horaria promedio mensual (W/m2)
para cada mes, cuyo promedio anual fue utilizado para finalizar el cálculo de la eficiencia térmica de los colectores.
Luego, en cuarto lugar, se requirió el
cálculo de la irradiación promedio diario mensual (kWh/m2), obtenida
multiplicando las irradiancias promedios diarios mensuales por las horas de
irradiación mensual, divididos por la cantidad de días del mes considerado.
Esto último fue promediado anualmente y multiplicado por 365 permitió obtener
la irradiación promedio anual (MWh/m2).
Seguidamente, para el cálculo de la
distribución de colectores en el campo solar se utilizó el procedimiento
descrito en el trabajo de Yuanjing et al. (2020) que incluyó el cálculo del número de colectores por fila, el número
total de filas del campo solar, para lo cual fue necesario calcular la potencia
de salida del campo solar, lo que fue realizado con base al procedimiento
descrito en el trabajo de Holler et al.
(2021).
Proceso de simulaciones
La simulación fue realizada con el
software TRNSYS 18 (Transient System
Simulation Tool [TRNSYS], 2019) que tiene como entrada los datos climatológicos
obtenidos previamente, las características técnicas de los colectores solares y
de los diferentes equipos como turbinas, generadores, intercambiadores de
calor, bombas, etc. El software permite seleccionar cada dispositivo de su
propia biblioteca, además, mantiene por defecto los parámetros no especificados
en las hojas técnicas. Permite la modelación de un sistema en un entorno
gráfico, usando componentes de bibliotecas conocidos como types,
compuestos internamente por una serie de ecuaciones matemáticas donde las
entradas y parámetros son convertidos en valores de salidas. Las bibliotecas de
TRNSYS cuentan con componentes que han sido validados por resultados
experimentales, como es el caso del componente TRNSYS HPHE (Heat
Pipe Heat Exchanger)
utilizados en industrias de uso intensivo de energía para recuperación de calor
residual de baja calidad (Brough et al.,2021).
El esquema principal para la simulación
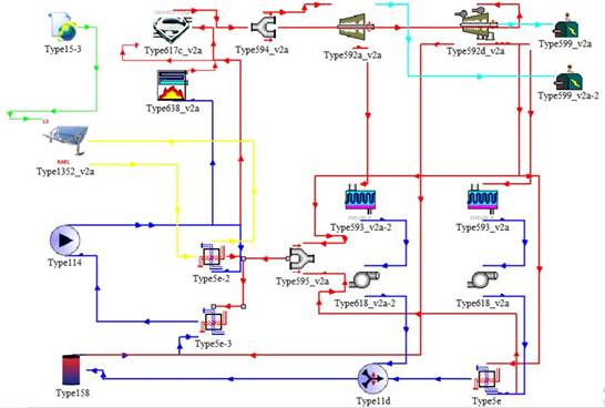
del modelo de hibridación se ilustra en la figura 1. Se describe a
continuación la función de cada dispositivo y su interacción con los demás
componentes del sistema, en donde la identificación por defecto de cada type se indica entre paréntesis. El nivel de
radiación, la temperatura ambiente y demás datos climatológicos obtenidos de
PVGIS están dados por el Type15-3. El campo solar (Type1352_v2a) transfiere
energía térmica generada al agua de alta presión proveniente del depósito (Type 158) en el intercambiador de calor (Type5e-2) para la
obtención de vapor saturado. Este vapor es enviado al sobrecalentador
(Type617c_v2a) para la generación de vapor sobrecalentado en paralelo con el
vapor generado en la caldera (Type638_v2a) por la combustión del bagazo.
Lo descrito hasta aquí constituye la parte
esencial de la propuesta realizada, seguidamente se describirán componentes
típicos de una planta de cogeneración en una azucarera que permiten terminar la
configuración del modelo. El vapor generado en la caldera pasa al sobrecalentador (Type617c_v2a) que lo calentará en caso de
no alcanzar los 525°C y se mantendrá apagado en caso contrario, de allí pasa a
la válvula de desvío (Type 594_v2a) que permite
dividir el flujo de vapor entre la turbina de alta presión (Type592a_v2a) y la
turbina de baja presión (Type592d_v2a) en un porcentaje del 67% y 33%
respectivamente.
Figura 1. Esquema de la hibridación para la
simulación con TRNSYS.

Fuente: Elaboración propia.
Las turbinas de vapor están acopladas a
generadores eléctricos (Type599_v2a y Type599_v2a-2) donde la energía generada
será utilizada en los requerimientos de la fábrica y cuyo excedente podrá ser
vendido al sistema público. El escape de vapor de la turbina de alta presión
BPST (Type 592a_v2a) es utilizada para el suministro
de calor necesario en el proceso industrial representado por el condensador
(Type593_v2a-2). La bomba de vapor condensado (Type618_v2a-2) permite enviar
agua presurizada al mezclador de flujo controlado (Type
11d), que lo unifica con el flujo proveniente del intercambiador de calor (Type 5e), para luego enviar el fluido obtenido al tanque de
almacenamiento cilíndrico (Type 158).
La salida del flujo de vapor de la turbina
de baja presión CEST (Type 592d_v2a) es enviada a un
condensador (Type 593_v2a), cuyo fluido de salida
pasa a la bomba de vapor condensado (Type618_v2a) para luego pasar al
intercambiador de calor (Type 5e), donde intercambia
energía con el vapor extraído del puerto de extracción 2 del CEST. El fluido
calentado de esta forma es enviado al mezclador de flujo controlado previamente
mencionado. El calentamiento del agua de alimentación de la caldera se realiza
mediante el flujo de vapor obtenido de los puertos de extracción 1 y 2 de la
turbina CEST, unificadas mediante la válvula mezcladora de vapor (Type595_v2a).
Para ello, el vapor entrega su energía térmica en el intercambiador de calor
(Type5e-3) al agua proveniente del depósito (Type158).
Previamente, el flujo de vapor del puerto
de extracción 2 del CEST, calienta en el intercambiador de calor (Type 5e) el líquido enviado por la bomba de vapor
condensado (Type618_v2a), que luego se une en el mezclador de flujo controlado
(Type11d) con el condensado proveniente de la carga térmica de la industria
(Type593_v2a-2), enviado por la otra bomba de vapor condensado (Type618_v2a-2),
luego, el mezclador de flujo envía un único fluido al depósito cilíndrico para
continuar el ciclo. El vapor del puerto de extracción 3 del CEST es enviado
directamente como fuente de calor al depósito de agua.
Consumo de biomasa no sostenible
Se ha calculado el consumo de leña no
sostenible
y la correspondiente superficie de bosques
potencialmente salvados
por la implementación de la hibridación mediante
cálculos de proporcionalidad, que constituye un modelo planteado en el presente
estudio. Primeramente, el
consumo de leña fue calculado considerando una molienda diaria media de
de caña, que es un valor promedio para molinos
modernos tomados del trabajo de Birru et al.
(2019) , una cantidad de días de producción de
, calculados asumiendo unas 5000 h continuas de
trabajo, un consumo de gas natural que varía
entre un consumo medio de
y un consumo máximo de
sustituido por la energía de combustión de la
leña, el poder calorífico del gas natural de
, estos dos parámetros fueron tomados del
trabajo de Agüero et al. (2013), el poder calorífico de la leña al 45%
de humedad
de acuerdo a Schneider (2013). Con estos datos el
consumo de leña no sostenible en toneladas fue obtenido mediante la relación
siguiente:
, (1)
En donde se han tenido en cuenta las
relaciones 1 kcal=3.97 BTU y 1 KWh=3,412 BTU calculados con base a los factores
de conversión obtenidos de Turns y Pauley (2020) y de Klein y Nellis
(2011) respectivamente. Además, el factor (1/1000) obedece a la necesidad de
expresar el consumo de leña en toneladas. Para el caso de un consumo máximo de
gas natural se sustituye
por
en la ecuación (1).
En segundo término y a partir de la
ecuación (1), se calculó la superficie de bosques potencialmente salvados por
la eliminación del uso de leña proveniente de bosques nativos, como fuente de
energía auxiliar, utilizados en la industria azucarera
en hectáreas. Para ello se tuvo en cuenta la producción
de biomasa sostenible a partir de bosques nativos con una media calculada
de
, para ambas regiones del país, tomado del Informe
Diagnóstico Paraguay del Banco Interamericano de Desarrollo (2008), una
densidad de la leña
tomado de Viceministerio de Minas y Energía
(2019a) y un porcentaje de rollo industrial sostenible convertido en leña
de acuerdo al Mapa de Plantaciones Forestales
(2018) como lo citó el informe del Vice Ministerio de Minas y Energías Viceministerio de Minas y Energía (2019b). La
ecuación generada para estos cálculos es la siguiente:
![]()
Se ha considerado que solamente el 21% de
la leña utilizada en el ingenio es de origen no sostenible teniendo en cuenta
el informe del Viceministerio de Minas y Energía (2019b), en donde se afirma
que los volúmenes de leña reportados representan entre el 85 al 90% del
consumo real total del país, y que el origen del mismo sería en un 21.1 %
provenientes de plantaciones y el restante 78.9% tendría su origen en especies
del bosque nativo, según consultas realizadas a responsables de los sectores
industriales involucrados. Esta relación aproximadamente se invierte en el caso
azucarero según el mismo documento y, por tanto, ha sido utilizado para el
cálculo de superficies de bosques nativos potencialmente salvados. La ecuación
(2) ha sido utilizada para los casos de consumo medio y máximo de leña como
fuentes de energía auxiliar.
RESULTADOS Y DISCUSIÓN
La demanda térmica anual para la generación de vapor
saturado fue calculada en 170,000 MWh, la fracción
solar fue fijada en 1, lo que indica que el campo solar suministrará la
totalidad de la energía requerida para la obtención del vapor saturado, estos
son los dos primeros elementos para el cálculo de dimensionamiento. El tercer elemento necesario es el rendimiento de
los colectores Helio Trough, que fue calculado
considerando la irradiancia promedio diario anual obtenida del 569.55 W/m2.
La temperatura ambiente promedio anual fue calculado en 22.04 °C. Con estos datos y los coeficientes de rendimiento óptico y térmico se
obtuvo la eficiencia térmica del colector solar en
0.72. La irradiación promedio
diario anual obtenida fue de 4.66 kWh/m2, esto para dimensionar el
campo solar para un funcionamiento en condiciones de radiación intermedias.
Multiplicando el promedio anterior por 365 se obtuvo la irradiación promedio
anual igual a 1.70 MWh/m2. Con estos valores, la superficie del campo solar fue calculada en
=138,888.89 m2.
Seguidamente, se obtuvo el número de colectores
ensamblados por fila en 3, el número de filas resultó redondeado en
, con esto, el número total de colectores ensamblados del campo solar es
igual a 111, con 10 colectores cada uno. Luego se consideró un espaciamiento de
2.5 m entre los colectores Helio Trough en cada fila
y también unos 22 m de espaciamiento entre filas, con esto se ha calculado una
superficie de terreno requerida de 64 ha. Estos resultados implican un uso del
terreno de 1.88 ha/MW que se aproxima al límite inferior de los 2 a 4 ha (1
acre~0.40 ha) por MW de capacidad según Solar Energy Industries Association (2023).
En las figuras que se presentan a continuación se
observan la variación diaria de la temperatura de salida y de la potencia útil
absorbida por el fluido térmico, en función de la hora solar, para el modelo
planteado correspondiente al mes de junio, mes de menor irradiación solar. En
cada gráfica se ha tomado un día del mes con el mayor valor pico y otro con el
menor registro que no sea nulo (correspondiente a un cielo completamente
cubierto).
En la figura 2 se aprecia una temperatura
superior a los 500° C esperados durante 8 horas para lo cual es necesario una
irradiancia (DNI) mayor o igual a los 550 W/m2. También se observa
un desfase temporal entre la radiación y la temperatura, esta última presenta
una menor tasa de aumento y disminución. Este mismo efecto pudo observarse en
el comportamiento de la temperatura de salida entre los meses de invierno y verano
en el trabajo experimental con colectores PTC de Chargui
et al. (2021).
Figura 2. Temperatura de salida y DNI para el mes de junio.

Fuente: Elaboración propia.
En la figura 3 se observa que la potencia útil
máxima es del orden de los 92 MW, se aprecia el lento aumento y descenso de la
potencia útil en relación con el DNI. Se alcanza una potencia superior a 40 MW
durante aproximadamente 9 horas. La potencia útil máxima alcanzada durante días
nublados es inferior a los 10 MW en menos de 4 horas de duración. Nótese que
las potencias útiles obtenidas superan las potencias nominales de
funcionamiento de los campos solares de 34 MW, lo que posibilitaría el manejo
técnico del campo solar de acuerdo con las necesidades horarias de la carga
térmica de la planta, así como eventualmente, un aprovechamiento de la energía
térmica en horas nocturnas o de baja radiación, mediante la implementación de
sistemas de almacenamiento térmico.
Figura 3. Potencia útil de salida y DNI para el mes de junio.

Fuente: Elaboración propia.
Estos valores de temperatura y potencia útil de
salida son muy superiores a los valores nominales esperados para el modelo
establecido (500 °C, 34 MW), esto da indicios de la necesidad de una
optimización en el cálculo de dimensionamiento. También debe tenerse en cuenta
que esta potencia debe ser transmitida al agua presurizada para la obtención de
vapor, proceso en el cual es de esperarse pérdidas en la transmisión de
potencia térmica. Es interesante notar que el modelo de hibridación no ha
considerado el consumo energético horario específico del proceso industrial, que ha sido representado de manera simplificada por un
condensador (Type593_v2a-2), además, cada dispositivo es simulado por un type que responde a características generales
como rendimientos, dimensiones, potencias nominales, caudales, etc. Estos
parámetros no se ajustan necesariamente al funcionamiento específico de ningún
dispositivo de una marca determinada.
En cuanto a la biomasa, el consumo anual de leña
obtenido varía entre 80,456.96 t y 150,856.81 t para
consumos medio y máximo respectivamente. A modo de contraste, tenemos que el consumo de biomasa sólida (leña) en la industria
azucarera/alcoholera varía entre 132,000 t y 253,000 t para la producción de
104 millones de litros de alcohol en la región oriental en 2012 según Ríos et
al. (2016). Considerando cuatro industrias para este sector, con base a la
información obtenida del sitio oficial del Centro Azucarero
y Alcoholero Paraguayo (2024), las cifras anteriores dan un
promedio por ingenio de entre 33,000 t y 63,250 t, que comparado al consumo de
leña obtenido, nos permite ubicar las estimaciones de esta última referencia
como correspondientes a un consumo de gas natural de entre 3 y 6 nm3
por tonelada de caña, valores mayores en un factor de 3 y 6 al mínimo
considerado en este trabajo (1 nm3 por tonelada de caña).
Análogamente, el volumen anual de leña obtenido del
modelo varía entre 104,625.44 m3 y 196,172.70 m3 que
serán comparados seguidamente con los valores encontrados en la literatura. El consumo anual de leña por la industria de etanol es de 112,206 m3
(14%) y 683,448 m3 (86%) consumidos de bosques nativos y de
plantaciones respectivamente, que representan el 5.7% del consumo industrial
con fines energéticos a nivel país en 2018, reportados en el informe
Viceministerio de Minas y Energía (2019b). Asumiendo nuevamente la existencia
de 4 industrias azucareras/alcoholeras, tenemos que los valores mencionados
anteriormente dan un promedio de 28,051.5 m3 de leña de bosques
nativos y 170,862 m3 de leña de plantaciones. Se deduce que el
volumen máximo de leña calculado por los modelos se corresponde aproximadamente
con el total de leña (bosque nativos y plantaciones) por industria, calculado
con base al reporte del Viceministerio de Minas y Energía en valores cercanos a
200,000 m3, lo que nos da una pauta de coincidencia entre el límite
superior calculado y las estimaciones oficiales.
Figura 4. Superficies del campo solar y de bosques nativos

Fuente: Elaboración propia.
Habiendo contrastado los resultados relacionados al
consumo de leña, se presenta en la figura 4 los datos correspondientes
al cálculo de superficies de bosques nativos potencialmente salvados por la
implementación del modelo híbrido, junto con la superficie requerida para la
implementación de la tecnología solar. Se
observa que se pasa de 6.41 ha a 13.89 ha y de 42,252.58 ha a 79,223.59 ha para
la superficie de colectores solares y la superficie de bosques potencialmente
salvados respectivamente. A modo de comparación, tenemos que la cantidad de
hectáreas anuales de bosques potencialmente salvados para el caso de un consumo
máximo resulta un poco más que el 72% de la tasa de deforestación de 110,000 ha
por año en 2002 del bosque Atlántico (Parte de la región este de Paraguay),
según la World Wildlife
Fund WWF (2013) como lo citó Da Ponte et al.
(2017). De todo lo expuesto anteriormente, se destaca el hecho de que existe un
amplio rango de valores del uso de la energía auxiliar en la industria
azucarera, lo que conlleva a que el cálculo del consumo de leña tome una amplia
gama de valores, lo que a su vez implica que el cálculo de superficies de
bosques nativos potencialmente salvados anualmente pueda variar de 42,252.58 ha
a 79,223.59 ha para consumos medios y máximos respectivamente (con un mínimo de
5,281.57 ha).
Los diferentes parámetros relacionados a la biomasa
fueron tomados de referencias científicas, fuentes oficiales del Paraguay y del
extranjero relacionados a la energía, el medio ambiente y las energías
renovables. Estos valores pueden presentar un sesgo local y una variación
temporal que eventualmente puedan hacer que los cálculos realizados deban ser
complementados por un estudio de sensibilidad que no fue realizado en el
presente trabajo.
Complementariamente, realizamos una breve discusión
sobre los costos de la tecnología PTC. Asumiendo un costo de instalación de
4,295 US$/kW, un costo de operación y mantenimiento de 0.02 US$/kWh tomados de
la International Renewable Energy Agency (IRENA, 2022),
se obtienen un costo de instalación de 146,030,000 US$, un costo anual de
operación y mantenimiento de 1,999,880 US$. En este sentido, se requiere un
estudio financiero adicional, en donde se contemple las variaciones de los
costos, tasas de financiación y precios de la energía. El costo nivelado de la
energía LCOE (Del inglés Levelized Cost of Energy) de la
tecnología de colectores solares de concentración ha ido decreciendo en los
últimos años hasta llegar menos de 0.1 USS/kWh, dentro del rango del costo de
los combustibles fósiles, de acuerdo con IRENA (2023). De mantenerse esta
tendencia, es posible que actualmente o en unos años, las condiciones
financieras sean favorables para la implementación de la energía solar PTC en
diferentes sectores industriales.
CONCLUSIONES
Con el objetivo principal de evaluar el impacto de la
instalación de la tecnología de colectores solares cilindro-parabólicos en la
industria azucarera del Guairá, en la reducción del consumo de biomasa no
sostenible, se pudo establecer un modelo híbrido, cuya respuesta a la
irradiación solar fue simulada con el software TRNSYS 18, y se han obtenido
valores de potencia útil y temperatura que indican la suficiencia del recurso
solar, además, se calcularon la superficie de bosques nativos potencialmente salvados
por la implementación del modelo de hasta cerca de 80,000 ha anuales.
El modelo de hibridación entre la tecnología de
concentradores solares cilindro-parabólicos y la cogeneración en una planta
azucarera en la ciudad de Tebicuary del Departamento
del Guairá, alcanza de acuerdo con las simulaciones realizadas, valores que
sobrepasan la temperatura de salida del fluido térmico esperados, así como la
potencia útil absorbida por este, supera la potencia nominal del campo solar
incluso en el mes de menor irradiancia solar. Por tanto, el recurso solar del
lugar es suficiente para la obtención de vapor saturado.
La eliminación del consumo de leña no sostenible de
80,456.96 t (consumo medio) y 150,856.81 t (consumo máximo) permitiría salvar
un equivalente anual mínimo de 5,281.57 ha y hasta 79,223.59 ha de bosques
nativos, contribuyendo de esta manera a la mitigación de la deforestación. La
implementación de la tecnología solar mediante este modelo permitiría la
reducción de la contribución anual del consumo de leña del sector
azucarero/alcoholero a niveles inferiores al 5.7% del consumo industrial total
a nivel país.
Se ha demostrado el potencial de aplicación de la
energía solar de concentración, en particular, de la tecnología de colectores
cilindro-parabólicos en una región específica del país, con posibilidades de
ampliar el estudio realizado a diferentes industrias de otras zonas
productivas. La proyección de la generación de energía solar en un periodo de
tiempo suficientemente largo puede contribuir a satisfacer la creciente demanda
de energía y colaborar en mantener el nivel de exportación de energía del país,
con la implementación de una tecnología renovable madura, con importantes
beneficios en la mitigación de la deforestación de bosques nativos, reduciendo
significativamente el consumo de biomasa no sostenible (leña). Esto último
complementa la ya sabida contribución de las renovables en la disminución del
consumo de combustibles fósiles y sus emisiones de gases de efecto
invernadero.
REFERENCIAS BIBLIOGRÁFICAS
Agüero, C. J., Pisa,
J. R., Andina, R. L., & Nanni, F. E. (2013).
Cogeneración en la industria azucarera. Revista de Ciencias Exactas e
Ingeniería, 36, 17-27. https://acortar.link/rD2WpT
Banco Interamericano de Desarrollo. (2008). Herramientas para mejorar la efectividad del mercado de combustibles de madera en la economía rural. Informe diagnóstico Paraguay. División de Medio Ambiente, Desarrollo Rural, y Desastres Naturales. https://acortar.link/ecUQZg
Beckman, W. A., Broman, L., Fiksel, A., Klein, S. A., Lindberg, E., Schuler, M. & Thornton, J. (1994). TRNSYS The most complete solar energy system modeling and simulation software. Renewable energy, 5(1-4), 486-488. https://doi.org/10.1016/0960-1481(94)90420-0
Birru, E., Erlich, C. & Martin, A. (2019). Energy performance comparisons and enhancements in the sugar cane industry. Biomass Conversion and Biorefinery, 9, 267-282. https://doi.org/10.1007/s13399-018-0349-z
Bodo, T., Gimah, B. G. & Seomoni, K. J. (2021). Deforestation and habitat loss: Human causes, consequences and possible solutions. Journal of Geographical Research, 4(2), 22-30. https://doi.org/10.30564/jgr.v4i2.3059
Bolognese,
M., Viesi, D., Bartali, R.
& Crema, L. (2020). Modeling study for low-carbon industrial processes
integrating solar thermal technologies. A case study in the Italian Alps: The
Felicetti Pasta Factory. Solar Energy, 208, 548-558. https://doi.org/10.1016/j.solener.2020.07.091
Brough, D., Ramos, J., Delpech, B. & Jouhara, H. (2021). Development and validation of a TRNSYS type to simulate heat pipe heat exchangers in transient applications of waste heat recovery. International Journal of Thermofluids, 9, e100056. https://doi.org/10.1016/j.ijft.2020.100056
Burin, E. K., Vogel, T., Multhaupt, S. Thelen, A., Oeljeklaus, G., Görner, K., & Bazzo, E. (2016). Thermodynamic and economic evaluation of a solar aided sugarcane bagasse cogeneration power plant. Energy, 117(Part. 2), 416-428. https://doi.org/10.1016/j.energy.2016.06.071
Carvalho, D. J., Moretti, R. R., Colodette, J. L. & Bizzo, W. A. (2020). Assessment of the self-sustained energy generation of an integrated first- and second-generation ethanol production from sugarcane through the characterization of the hydrolysis process residues. Energy Conversion and Management, 203, e112267. https://doi.org/10.1016/j.enconman.2019.112267
Centro Azucarero y Alcoholero Paraguayo. (2024). Centro Azucarero y Alcoholero Paraguayo. https://www.centroazucarero.org.py
Chargui, R., Tashtoush, B. & Awani, S. (2022). Experimental study and performance testing of a novel parabolic trough collector. International Journal of Energy Research, 46(2), 1518-1537. https://doi.org/10.1002/er.7267
Columbia
Center on Sustainable Investment. (2021). Vías de Descarbonización del Sector Energético del Paraguay. Quadracci Sustainable
Engeeniering Lab de la
Universidad de Columbia y Centro de Recursos Naturales, Energía y Desarrollo
(CRECE). https://acortar.link/tCJEjb
Da Ponte, E., Kuenzer, C., Parker, A., Rodas, O., Oppelt, N. & Fleckenstein, M. (2017). Forest cover loss in Paraguay and perception of ecosystem services: A case study of the Upper Parana Forest. Ecosystem services, 24, 200-212. https://doi.org/10.1016/j.ecoser.2017.03.009
Er, Z. (2016). A study of evaluation of solar energy simulation and modeling systems. Acta Physica Polonica A, 130(1), 72-77. https://doi.org/10.12693/APhysPolA.130.72
EU Science Hub. (2023). PVGIS data sources & calculation methods. European Commission's Joint Research Centre. https://acortar.link/OFDDh1
Fazekas,
A., Bataille, C. & Vogt-Schilb, A. (2022). Prosperidad libre de carbono. Como los gobiernos pueden habilitar 15
transformaciones esenciales. Banco
Interamericano de Desarrollo. https://acortar.link/l57Daq
Fredriksson, J., Eickhoff, M., Giese, L. & Herzog, M. (2021). A comparison and evaluation of innovative parabolic trough collector concepts for large-scale application. Solar Energy, 215, 266-310. https://doi.org/10.1016/j.solener.2020.12.017
Holler, S., Winkelmann, A., Pelda, J. & Salaymeh, A. (2021). Feasibility study on solar thermal process heat in the beverage industry. Energy, 233, e121153. https://doi.org/10.1016/j.energy.2021.121153
International Renewable Energy Agency. (2022). Renewable Technology Innovations Indicators: Mapping progress in costs, patents and standars. International Renewable Energy Agency. https://www.irena.org//media/Files/IRENA/Agency/Publication/2022
International Renewable Energy Agency. (2023). Global LCOE and Auction values. International Renewable Energy Agency. https://acortar.link/TvMyOD
Janotte, N., Feckler, G., Kötter, J., Decker, S., Herrmann, U., Schmitz, M. & Lüpfert, E. (2014). Dynamic performance evaluation of the HelioTrough® collector demonstration loop–towards a new benchmark in parabolic trough qualification. Energy Procedia, 49, 109-117. https://doi.org/10.1016/j.egypro.2014.03.012
Klein, S. & Nellis, G. (2011). Thermodynamics. Cambridge University Press.
Ktistis, P. K., Agathokleous, R. A. & Kalogirou, S. A. (2021). Experimental performance of a parabolic trough collector system for an industrial process heat application. Energy, 215(Part. A), e119288. https://doi.org/10.1016/j.energy.2020.119288
McDowell, T., E Bradley, D., Hiller, M., Lam, J., Merk, J. & Keilholz, W. (2017, August). TRNSYS 18: The continued evolution of the software [Conference presentation summary]. 15th Conference of IBPSA. https://acortar.link/VO5PNi
Mohebalian, P. M., Lopez, L. N., Tischner, A. B. & Aguilar, F. X. (2022). Deforestation in South America's tri-national Paraná Atlantic Forest: Trends and associational factors. Forest Policy and Economics, 137, e102697. https://doi.org/10.1016/j.forpol.2022.102697
Muller, M., Vincent, S. & Kumar, O. P. (2020). Prediction of land-change using machine learning for the deforestation in Paraguay. Bulletin of Electrical Engineering and Informatics, 9(5), 1774-1782. https://doi.org/10.11591/eei.v9i5.2532
Osorio, J. D. & Rivera-Alvarez, A. (2022). Influence of the concentration ratio on the thermal and economic performance of parabolic trough collectors. Renewable Energy, 181, 786-802. https://doi.org/10.1016/j.renene.2021.09.040
Quiñones, G., Felbol, C., Valenzuela, C., Cardemil, J. M. & Escobar, R. A. (2020). Analyzing the potential for solar thermal energy utilization in the Chilean copper mining industry. Solar Energy, 197, 292-310. https://doi.org/10.1016/j.solener.2020.01.009
Ríos, M., Kaltschmitt, M., Borsy, P. & Ortiz, R. (2016). Solid biomass within the energy system of Eastern Paraguay—status and consequences. Biomass Conversion and Biorefinery, 6, 365-375. https://doi.org/10.1007/s13399-015-0194-2
Rodríguez,
C. M. (2022). Incidencia de la deforestación en la captación de
dióxido de carbono y provisión de oxígeno en Paraguay. Periodo 1990-2020. Población
y Desarrollo, 28(54), 6-15. https://doi.org/10.18004/pdfce/2076-054x/2022.028.54.006
Schneider, R. (Editor). (2013). Producción y Consumo de Biomasa Sólida en Paraguay. Ministerio de Obras Públicas y Comunicaciones, Viceministerio de Minas y Energía. https://acortar.link/p5wSMy
Solar Energy Industries Association. (2023). Initiatives. Concentrating Solar Power. https://seia.org/concentrating-solar-power
Transient System Simulation Tool. (2019). What is TRNSYS? Transient System Simulation Tool. https://www.trnsys.com
Turns,
S. R. & Pauley, L. L. (2020). Thermodynamics: concepts and
applications. Cambridge University
Press.
Viceministerio de
Minas y Energía. (2019a). Perspectiva energética 2050 (Informe Ejecutivo).
Departamento de Planificación y Estadística. Departamento de Monitoreo
Energético. Dirección de Recursos Energéticos. https://acortar.link/vK9bqT
Viceministerio de
Minas y Energía. (2019b). Producción y consumo de biomasa forestal con fines
energéticos en el Paraguay. Dirección de Energías alternativas. Banco
Interamericano de Desarrollo. https://acortar.link/CLzrA9
Viceministerio de Minas y Energía. (2022). Balance Energético Nacional. Dirección de Recursos Energéticos
Primarios. https://acortar.link/o3SifM
Yuanjing, W., Cheng, Z., Yanping, Z. & Xiaohong, H. (2020). Performance analysis of an improved 30 MW parabolic trough solar thermal power plant. Energy, 213, e118862. https://doi.org/10.1016/j.energy.2020.118862
Zebra, E. I. C., van der Windt, H. J., Nhumaio, G. & Faaij, A. P. (2021). A review of hybrid renewable energy systems in mini-grids for off-grid electrification in developing countries. Renewable and Sustainable Energy Reviews, 144, e111036. https://doi.org/10.1016/j.rser.2021.111036